爱游戏在线注册
官方网站介绍
企业介绍
组织架构
企业荣誉
领导关怀
新闻动态
官方网站新闻
政策要闻
党建工作
组织架构
党建阵地
党群活动
工青妇
荣誉鼓励
信息公开
水质检测报告
环境信息公开
职位招聘
通知公告
官方网站
电话地址
意见箱
总经理信箱
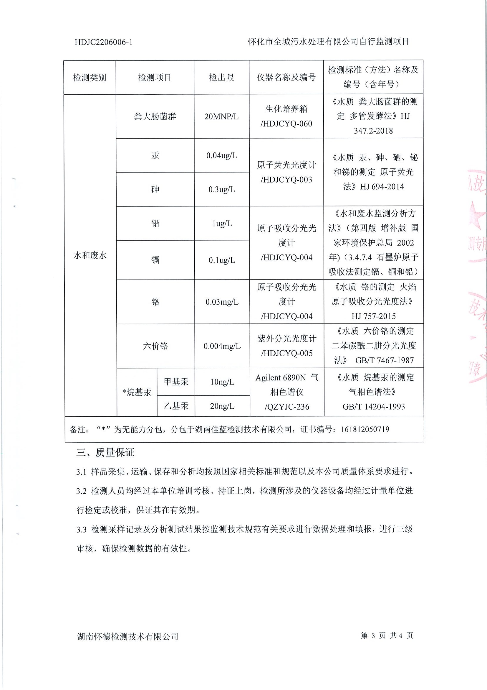
怀德检测 2022年6月 污水检测报告
2022-07-04 11:33:57
上一篇:
湖南怀德检测技术有限官方网站 2024年12月 污水出水检测报告
下一篇:
怀德检测 2022年5月 污水检测报告
九游电子娱乐_九游体育(中国)
|
九游(JIUYOU.COM)娱乐第一门户
|
kaiyun平台·(中国)官方网站
|
九游在线官方官网
|
九游j9官网入口(中国)官方网站
|
九游官方网站
|
九游·会(J9)官方网站
|
开云手机官方网站_开云online(中国)
|